




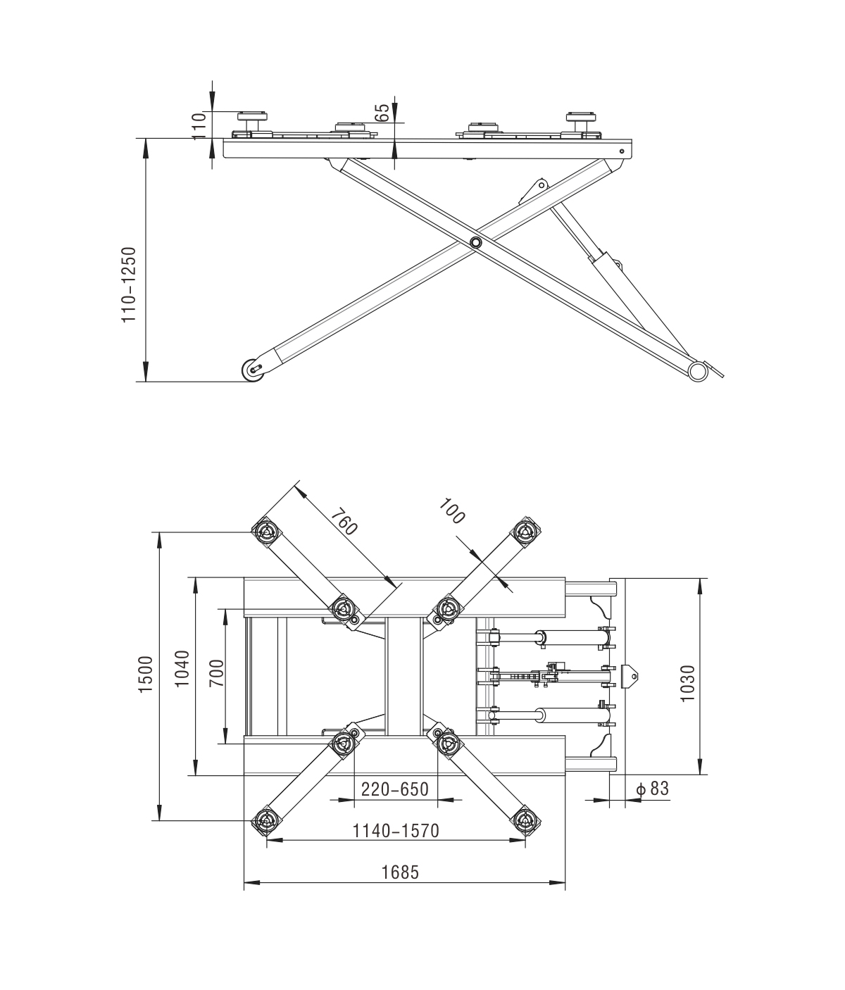
地藏子母剪式舉升機適用于小型汽車的四輪定位及車輛檢測、維修與保養(yǎng)。

地藏子母剪式舉升機適用于小型汽車的四輪定位及車輛檢測、維修與保養(yǎng)。

地藏子母剪式舉升機適用于小型汽車的四輪定位及車輛檢測、維修與保養(yǎng)。

超薄滑車剪式舉升機適用于小型汽車的四輪定位和車輛檢測、維修及保養(yǎng)。

超薄子母剪式舉升機適用于各種檔次汽車的專業(yè)四輪定位和車輛檢測、維修及保養(yǎng)。

超薄平板剪式舉升機適用于小型汽車的四輪定位和車輛檢測、維修及保養(yǎng)。

地藏滑車剪式舉升機適用于小型汽車的四輪定位及車輛檢測、維修及保養(yǎng)。

藏地式舉升機適用于小型轎車的維修與保養(yǎng)。

超薄小剪舉升機適用于小型轎車的維修與保養(yǎng)。

中位剪式舉升機適用于小型轎車的維修與保養(yǎng)。

中位剪式舉升機適用于小型轎車的維修與保養(yǎng)。

xgexport@ykhyqb.com


+86 0417-3856488 / 3810088

+86 400-0417-407